高级检索

留言板

尊敬的读者、作者、审稿人, 关于本刊的投稿、审稿、编辑和出版的任何问题, 您可以本页添加留言。我们将尽快给您答复。谢谢您的支持!

姓名
邮箱
手机号码
标题
留言内容
验证码

小型铅铋冷却快堆堆芯功率控制研究

孙奥迪 孙培伟 魏新宇

孙奥迪, 孙培伟, 魏新宇. 小型铅铋冷却快堆堆芯功率控制研究[J]. 核动力工程, 2022, 43(6): 155-161. doi: 10.13832/j.jnpe.2022.06.0155
引用本文: 孙奥迪, 孙培伟, 魏新宇. 小型铅铋冷却快堆堆芯功率控制研究[J]. 核动力工程, 2022, 43(6): 155-161. doi: 10.13832/j.jnpe.2022.06.0155
Sun Aodi, Sun Peiwei, Wei Xinyu. Study on Core Power Control of Small Lead-Bismuth Cooled Fast Reactor[J]. Nuclear Power Engineering, 2022, 43(6): 155-161. doi: 10.13832/j.jnpe.2022.06.0155
Citation: Sun Aodi, Sun Peiwei, Wei Xinyu. Study on Core Power Control of Small Lead-Bismuth Cooled Fast Reactor[J]. Nuclear Power Engineering, 2022, 43(6): 155-161. doi: 10.13832/j.jnpe.2022.06.0155

小型铅铋冷却快堆堆芯功率控制研究

doi: 10.13832/j.jnpe.2022.06.0155
基金项目: 国家自然科学基金(11875218);中核集团领创科研项目基金(2019120006)
详细信息
    作者简介:

    孙奥迪(1994—),男,博士研究生,主要从事核反应堆动力学、核反应堆建模与控制方面的研究,E-mail: sun1994@stu.xjtu.edu.cn

    通讯作者:

    魏新宇, E-mail: xyuwei@xjtu.edu.cn

  • 中图分类号: TL329

Study on Core Power Control of Small Lead-Bismuth Cooled Fast Reactor

  • 摘要: 铅铋冷却快堆多用于海洋、山区等偏远特殊环境的孤网供电,用户特性要求小型铅铋冷却快堆需具有良好的负荷跟踪能力。本文将3种不同的控制方法应用于铅铋冷却快堆堆芯功率控制,通过引入噪声、死区、时滞等环节对控制器的稳定性和设定值跟踪能力进行了测试。结果表明,比例-积分-微分(PID)控制器很难达到较好的控制效果,因此工业应用时往往加入了其他环节以保证PID控制器的稳定性。自抗扰(ADRC)控制器和H鲁棒控制器都具有良好的抗噪能力,能够独立地完成较好的控制效果,但良好的抗噪能力要牺牲一定的灵敏性。通过对3种控制器的比较分析表明,由于仿真计算对实际对象进行了简化,在这样的条件下所设计的控制器应选择较为保守的参数。

     

  • 图  1  H鲁棒控制器一般结构

    r—参考值;u—控制器输出/被控对象的输入;y—系统输出;e—误差;G(s)—被控对象的传递函数;K(s)—控制器的传递函数;W1(s)—灵敏度加权函数;W2(s) —控制量加权函数;W3(s)—补灵敏度加权函数;z1z2z3—系统的评价信号;s—拉普拉斯算子

    Figure  1.  General Structure of H Robust Controller

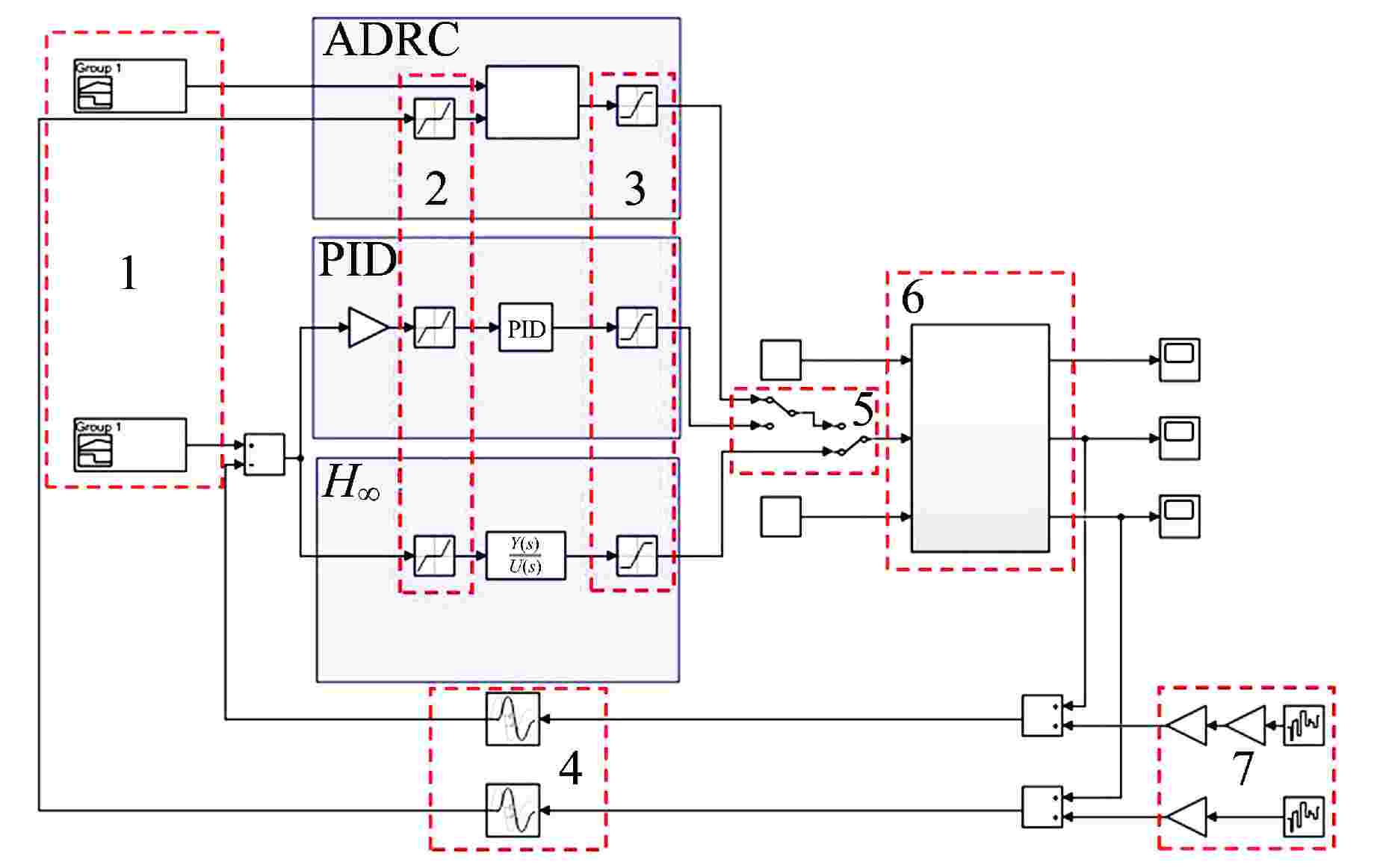
    图  2  小型铅铋冷却快堆仿真平台

    模块1—设定值模块;模块2—死区模块;模块3—限幅模块;模块4—时滞模块;模块5—控制器切换模块;模块6—被控对象模块;模块7—测量噪声模块

    Figure  2.  Simulation Platform for Small Lead-Bismuth Cooled Fast Reactor

    图  3  3种控制器仅在限幅约束下的归一化功率

    Figure  3.  Normalized Power for Three Controllers Only under Limiting Constraints

    图  4  测量信号存在时滞时归一化功率

    Figure  4.  Normalized Power When the Measurement Signal Has a Time Lag

    图  5  测量信号存在噪声时归一化功率

    Figure  5.  Normalized Power When the Measurement Signal is Noisy

    图  6  打开死区模块后归一化功率

    Figure  6.  Normalized Power with Dead Zone Module Turned on

    图  7  第2次整定后归一化功率

    Figure  7.  Normalized Power After the Second Tuning

    图  8  图2中模块全部打开时归一化功率

    Figure  8.  Normalized Power When All Modules in Figure 2 Are Turned On

    图  9  第3次整定后归一化功率

    Figure  9.  Normalized Power After the Third Tuning

    图  10  负荷追踪曲线

    Figure  10.  Load Following Curve

    图  11  不同控制器参数对比

    Figure  11.  Comparison of Different Controller Parameters

    表  1  第1次整定后控制器参数

    Table  1.   Controller Parameters After the First Tuning

    控制器 参数 数值
    PID控制器 比例系数(kp −1000
    微分系数(kd 0
    ADRC控制器 控制量增益(b0 854.6
    ESO带宽(ω0 1300
    kp 5600
    kd 13920
    H鲁棒控制器 W1(s) ${6 \mathord{\left/ {\vphantom {6 {(9s + 0.9)}}} \right. } {(9s + 0.9)}}$
    W2(s) 0.0001
    W3(s) ${{60} \mathord{\left/ {\vphantom {{60} {(80s + 10)}}} \right. } {(80s + 10)}}$
    下载: 导出CSV

    表  2  第2次整定后控制器参数

    Table  2.   Controller Parameters After the Second Tuning

    控制器 参数 数值
    PID控制器 kp −100
    kd 0
    ADRC控制器 b0 854.6
    ω0 300
    kp 5600
    kd 46080
    H鲁棒控制器 W1(s) ${6 \mathord{\left/ {\vphantom {6 {(9s + 0.9)}}} \right. } {(9s + 0.9)}}$
    W2(s) 0.0001
    W3(s) ${{60} \mathord{\left/ {\vphantom {{60} {(80s + 10)}}} \right. } {(80s + 10)}}$
    下载: 导出CSV

    表  3  第3次整定后控制器参数

    Table  3.   Controller Parameters After the Third Tuning

    控制器 参数 数值
    PID控制器 kp −40
    kd 0
    ADRC控制器 b0 854.6
    ω0 300
    kp 5600
    kd 46080
    H鲁棒控制器 W1(s) ${6 \mathord{\left/ {\vphantom {6 {(3s + 0.9)}}} \right. } {(3s + 0.9)}}$
    W2(s) 0.0001
    W3(s) ${{120} \mathord{\left/ {\vphantom {{120} {(40s + 10)}}} \right. } {(40s + 10)}}$
    下载: 导出CSV
  • [1] 李韡. 第四代核能系统技术开发及国际合作[J]. 国外核新闻,2003(6): 7-9.
    [2] LOCATELLI G, BINGHAM C, MANCINI M. Small modular reactors: a comprehensive overview of their economics and strategic aspects[J]. Progress in Nuclear Energy, 2014, 73: 75-85.
    [3] 韩金盛,刘滨,李文强. 铅冷快堆研究概述[J]. 核科学与技术,2018, 6(3): 87-97.
    [4] 王春阳,马帅,梁书宁,等. 光电稳瞄平台基于自抗扰的改进内模控制[J]. 电光与控制,2021, 28(2): 78-82.
    [5] 侯忠生,许建新. 数据驱动控制理论及方法的回顾和展望[J]. 自动化学报,2009, 35(6): 650-667.
    [6] 韩京清. 从PID技术到“自抗扰控制”技术[J]. 控制工程,2002, 9(3): 13-18. doi: 10.3969/j.issn.1671-7848.2002.03.003
    [7] AMATO F, PIRONTI A. Hoptimal terminal state control for linear systems with lumped and distributed time delays[J]. Automatica, 1999, 35(9): 1619-1624. doi: 10.1016/S0005-1098(99)00063-1
    [8] SUZUKI K, SHIMAZAKI J, SHINOHARA Y. Application of H control theory to power control of a nonlinear reactor model[J]. Nuclear Science and Engineering, 1993, 115(2): 142-151. doi: 10.13182/NSE92-112
    [9] CHI S G, CHO N Z. H control theory applied to xenon control for load-following operation of a nuclear reactor[J]. Nuclear Technology, 2002, 137(2): 127-138. doi: 10.13182/NT00-31
    [10] 闫旭. 小型压水堆H鲁棒控制研究[D]. 西安: 西安交通大学, 2019: 24-27.
    [11] SUN A D, PU S M, HE Z X, et al. Application of model free active disturbance rejection controller in nuclear reactor power control[J]. Progress in Nuclear Energy, 2021, 140: 103907. doi: 10.1016/j.pnucene.2021.103907
  • 加载中
图(11) / 表(3)
计量
  • 文章访问数:  339
  • HTML全文浏览量:  329
  • PDF下载量:  68
  • 被引次数: 0
出版历程
  • 收稿日期:  2021-11-30
  • 修回日期:  2021-12-22
  • 刊出日期:  2022-12-14

目录

    /

    返回文章
    返回