高级检索

留言板

尊敬的读者、作者、审稿人, 关于本刊的投稿、审稿、编辑和出版的任何问题, 您可以本页添加留言。我们将尽快给您答复。谢谢您的支持!

姓名
邮箱
手机号码
标题
留言内容
验证码

锆合金表面缺陷引起氢致延迟开裂行为的研究

周邦新 姚美意 李强

周邦新, 姚美意, 李强. 锆合金表面缺陷引起氢致延迟开裂行为的研究[J]. 核动力工程, 2023, 44(3): 1-7. doi: 10.13832/j.jnpe.2023.03.0001
引用本文: 周邦新, 姚美意, 李强. 锆合金表面缺陷引起氢致延迟开裂行为的研究[J]. 核动力工程, 2023, 44(3): 1-7. doi: 10.13832/j.jnpe.2023.03.0001
Zhou Bangxin, Yao Meiyi, Li Qiang. Study on Hydrogen Induced Delayed Cracking Behavior of Zirconium Alloys Caused by Surface Defects[J]. Nuclear Power Engineering, 2023, 44(3): 1-7. doi: 10.13832/j.jnpe.2023.03.0001
Citation: Zhou Bangxin, Yao Meiyi, Li Qiang. Study on Hydrogen Induced Delayed Cracking Behavior of Zirconium Alloys Caused by Surface Defects[J]. Nuclear Power Engineering, 2023, 44(3): 1-7. doi: 10.13832/j.jnpe.2023.03.0001

锆合金表面缺陷引起氢致延迟开裂行为的研究

doi: 10.13832/j.jnpe.2023.03.0001
基金项目: 国家自然科学基金(51871141)
详细信息
    作者简介:

    周邦新(1935—),男,研究员,中国工程院院士,现主要从事水冷核反应堆用材料的研发工作, E-mail: zhoubx@shu.edu.cn

  • 中图分类号: TL34;TG146.4+14

Study on Hydrogen Induced Delayed Cracking Behavior of Zirconium Alloys Caused by Surface Defects

  • 摘要: 核反应堆用锆合金构件在服役过程中会发生氢致延迟开裂(HIDC)而失效,构件表面的微缺陷是否会引起HIDC是值得研究的问题。本文采用真空电子束焊接方法制备表面有微缝隙缺陷的样品,以研究这类微缝隙缺陷在400℃过热蒸汽中腐蚀以及在350℃高压水中热循环处理过程中的行为。由于这类缺陷处会形成尖劈状的氧化膜并镶嵌在金属中,在氧化膜前端将形成应力集中和应力梯度区,引起氢的扩散、富集和氢化物析出,即使样品中原先没有残余应力,也没有受到外加应力的作用,也会发生HIDC导致裂纹扩展而开裂。因此,在设计和加工制造核反应堆堆芯中锆合金的各种结构件时,需要重视如何避免锆合金构件表面可能生成这种缺陷的问题。

     

  • 图  1  拉伸样品加载不同时间后ZrHx在小孔周边缺口应力集中处的形核和生长(暗场像)

    Figure  1.  Nucleation and Growth of ZrHx at the Notch around the Hole after Loading the Tensile Stress for Different Time (Dark Field Image)

    图  2  样品拉伸时在小孔周边缺口处形成的ZrHx发生开裂以及在裂纹尖端应力集中处重新析出ZrHx的过程

    Figure  2.  Cracking of ZrHx Formed at the Notch around the Hole and Re-precipitation of ZrHx at the Stress Concentration Zone at the Crack Tip during the Sample Tensile Process

    图  3  垂直于板材轧制方向加载160 MPa进行热循环不同次数后对带状ZrHx分布取向的影响

    Figure  3.  Effect of Loading 160 MPa Tensile Stress Perpendicular to the Plate Rolling Direction on the Distribution Orientation of ZrHx Ribbon after Different Times of Thermal Cycles

    图  4  从样品截面上观察裂纹尖端处ZrHx的分布

    Figure  4.  Distribution of ZrHx at the Crack Tip Showed on the Section of Sample

    图  5  复合板侧面结合处形成了特殊形貌尖劈状的氧化膜及其ZrHx的分布

    Figure  5.  A Special Wedge-like Oxide Film Formed on the Side Surfaces of the Joint Composite Plate and ZrHx Distribution

    图  6  样品经400℃过热蒸汽腐蚀200 d后微缺陷端部金属中ZrHx的分布形貌

    Figure  6.  Morphologies of ZrHx Distribution at the Tip of Micro Defect after 200 Days Corrosion in Superheated Steam at 400℃

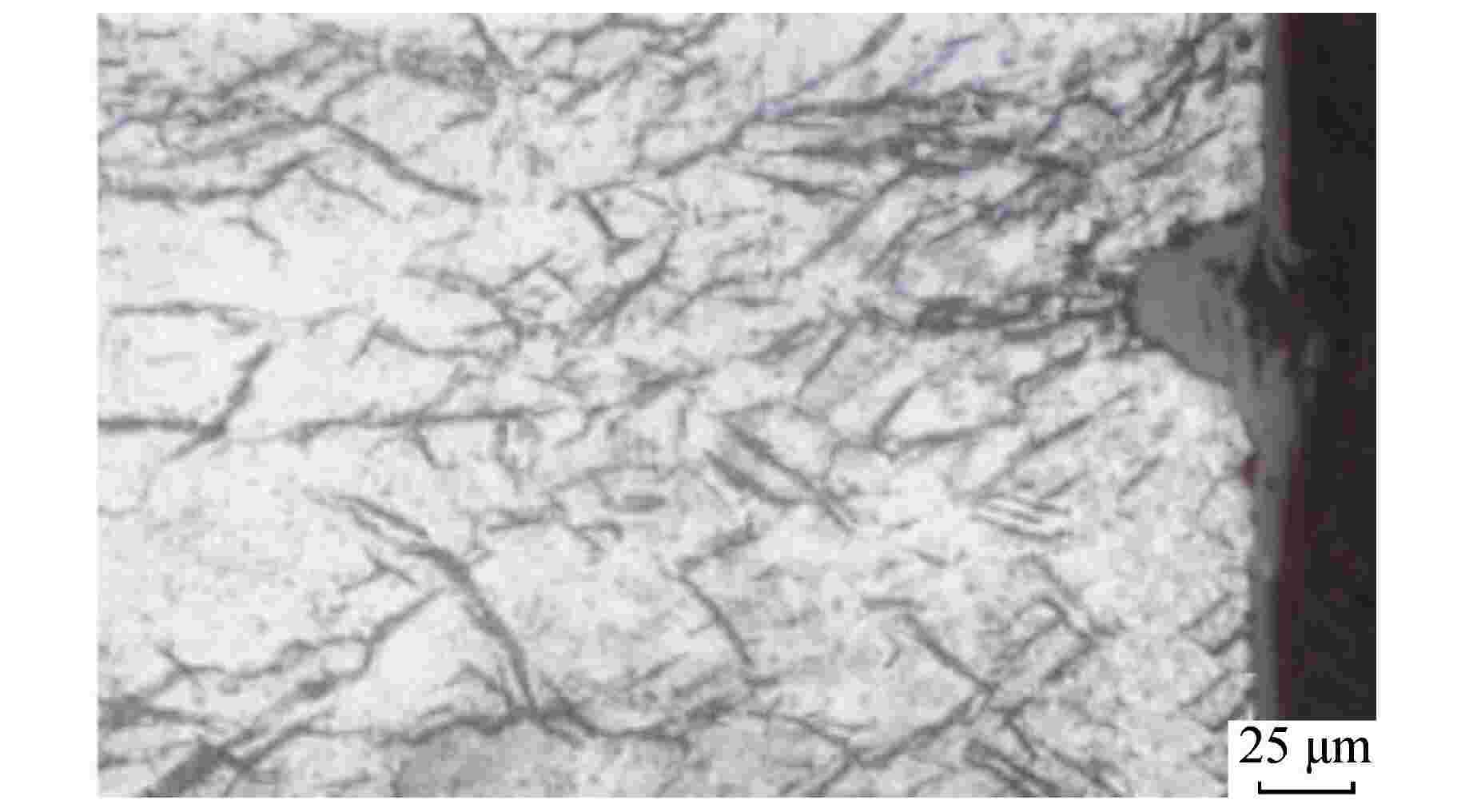
    图  7  样品经350℃/20次热循环后微缺陷端部的几种典型形貌(抛光后未蚀刻)

    Figure  7.  Some Typical Morphologies of the Micro Defect Tips of the Samples (not Etched after Polishing) after 20 Thermal Cycles at 350℃

    表  1  样品经20次和60次热循环后8处微缺陷缝隙深度的变化(20次/60次)

    Table  1.   The Changes of Crack Depth of 8 Micro-Defects after 20 and 60 Thermal Cycles of the Samples (20 Times/60 Times)

    缝隙编号12345678
    深度变化/mm0.45/0.580.41/0.500.49/0.880.80/0.950.95/1.230.48/0.480.75/0.810.63/0.70
    下载: 导出CSV
  • [1] KEARNS J J. Terminal solubility and partitioning of hydrogen in the alpha phase of zirconium, Zircaloy-2 and Zircaloy-4[J]. Journal of Nuclear Materials, 1967, 22(3): 292-303. doi: 10.1016/0022-3115(67)90047-5
    [2] 卡恩R W, 哈森 P, 克雷默 E J. 材料科学与技术丛书(第10B卷, 核材料-第Ⅱ部分)[M]. 周邦新, 赵文金等, 译. 北京: 科学出版社, 1999: 1-48.
    [3] SIMPSON C J, ELLS C E. Delayed hydrogen embrittlement in Zr-2.5 wt% Nb[J]. Journal of Nuclear Materials, 1974, 52(2): 289-295. doi: 10.1016/0022-3115(74)90174-3
    [4] JHA A, SARKAR S, SINGH I V, et al. A study on the effect of residual stresses on hydride assisted crack in Zr-2.5Nb pressure tube material using XFEM[J]. Theoretical and Applied Fracture Mechanics, 2022, 121: 103536. doi: 10.1016/j.tafmec.2022.103536
    [5] 刘建章. 核结构材料[M]. 北京: 化学工业出版社, 2007: 142-173.
    [6] 姚美意, 栾佰峰. 水冷核反应堆用锆合金[M]. 周邦新. 核反应堆材料(中册). 上海: 上海交通大学出版社, 2021: 459-675.
    [7] 周邦新,郑斯奎,汪顺新. Zr-2合金中应力及应变诱发氢化锆析出过程的电子显微镜原位研究[J]. 金属学报,1989, 25(3): A190-A195.
    [8] 彭剑超,李强,刘仁多,等. Zr-4合金中氢化物析出长大的透射电镜原位研究[J]. 稀有金属材料与工程,2011, 40(8): 1377-1381.
    [9] 周邦新,蒋有荣. Zr-4管中氢化物分布的应力再取向研究[J]. 核动力工程,1992, 13(5): 66-69.
    [10] 蒋有荣,周邦新,杨敏华. Zr-4板中氢化物应力再取向的研究[J]. 核动力工程,1993, 14(4): 368-373,380.
    [11] ZHOU B X, YAO M Y, MIAO Z, et al. The cracking induced by oxidation-hydriding in welding joints of Zircaloy-4 plates[J]. Journal of Shanghai University (English Edition), 2003, 7(1): 18-20. doi: 10.1007/s11741-003-0045-4
  • 加载中
图(7) / 表(1)
计量
  • 文章访问数:  4919
  • HTML全文浏览量:  243
  • PDF下载量:  163
  • 被引次数: 0
出版历程
  • 收稿日期:  2023-01-03
  • 修回日期:  2023-02-20
  • 刊出日期:  2023-06-15

目录

    /

    返回文章
    返回