高级检索

留言板

尊敬的读者、作者、审稿人, 关于本刊的投稿、审稿、编辑和出版的任何问题, 您可以本页添加留言。我们将尽快给您答复。谢谢您的支持!

姓名
邮箱
手机号码
标题
留言内容
验证码

超临界二氧化碳临界流瞬态试验研究

张东旭 李伟卿 赵民富 梁朋 许永旺 李青远 段明慧

张东旭, 李伟卿, 赵民富, 梁朋, 许永旺, 李青远, 段明慧. 超临界二氧化碳临界流瞬态试验研究[J]. 核动力工程, 2023, 44(5): 232-236. doi: 10.13832/j.jnpe.2023.05.0232
引用本文: 张东旭, 李伟卿, 赵民富, 梁朋, 许永旺, 李青远, 段明慧. 超临界二氧化碳临界流瞬态试验研究[J]. 核动力工程, 2023, 44(5): 232-236. doi: 10.13832/j.jnpe.2023.05.0232
Zhang Dongxu, Li Weiqing, Zhao Minfu, Liang Peng, Xu Yongwang, Li Qingyuan, Duan Minghui. Experimental Study on Critical Flow of Supercritical Carbon Dioxide at Transient State[J]. Nuclear Power Engineering, 2023, 44(5): 232-236. doi: 10.13832/j.jnpe.2023.05.0232
Citation: Zhang Dongxu, Li Weiqing, Zhao Minfu, Liang Peng, Xu Yongwang, Li Qingyuan, Duan Minghui. Experimental Study on Critical Flow of Supercritical Carbon Dioxide at Transient State[J]. Nuclear Power Engineering, 2023, 44(5): 232-236. doi: 10.13832/j.jnpe.2023.05.0232

超临界二氧化碳临界流瞬态试验研究

doi: 10.13832/j.jnpe.2023.05.0232
基金项目: 国家重点研发计划(2018YFE0116100)
详细信息
    作者简介:

    张东旭(1988—),男,副研究员,现主要从反应堆热工水力方面的研究,E-mail: dongxu221@163.com

    通讯作者:

    李伟卿,E-mail: liweiqing840907@126.com

  • 中图分类号: TL334

Experimental Study on Critical Flow of Supercritical Carbon Dioxide at Transient State

  • 摘要: 当超临界系统发生破口事故时,系统内高温高压流体在破口处会发生临界流动现象,瞬态临界流动特性对事故进程有较大影响。与临界流稳态相比,瞬态喷放过程中的泄压速度对临界质量流速有着重要的影响,为此开展了以超临界二氧化碳(SCO2)为工质的临界流瞬态试验,试验段采用直径2 mm、长径比L/D为3、进口为圆角的喷管,试验初始压力为7.70~7.98 MPa,初始温度为35.5~40.6℃,进行了4种泄压速度的瞬态试验。试验结果表明,在喷放开始阶段,泄压速度越大,临界质量流速越小;然而在喷放后期,泄压速度越大,临界质量流速越大。

     

  • 图  1  临界流瞬态试验系统

    VAJ—电动调节阀;VCO—电动截止阀;VHO—手动截止阀;VSO——电磁阀;T—温度测点;PIT—压力测点;DPIT—差压测点;FIT—流量测点         

    Figure  1.  Diagram of the Transient Test System

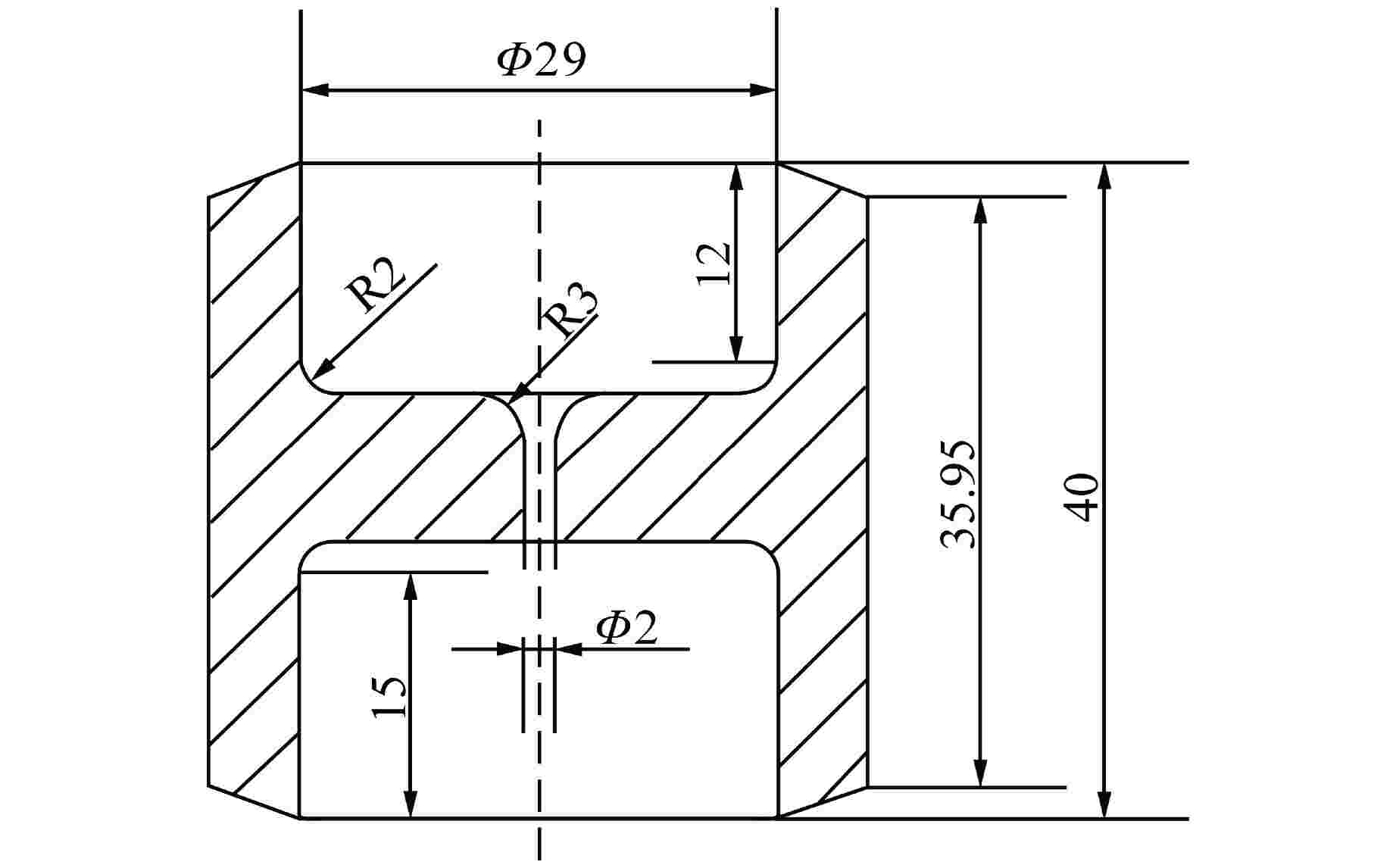
    图  2  试验段结构示意图 mm

    Figure  2.  Schematic Diagram of Test Section Structure

    图  3  旁路阀开度0%时喷放过程中压力和质量流速的变化

    Figure  3.  Variation of Pressure and Mass Velocity with Time during Blowout with Bypass Valve Opening of 0%

    图  4  喷放过程中压力随时间的变化

    Figure  4.  Variation of Pressure with Time during Blowout

    图  5  喷放过程中质量流速随时间的变化

    Figure  5.  Variation of Mass Velocity with Time during Blowout      

    图  6  喷放过程中质量流速随压力的变化

    Figure  6.  Variation of Mass Velocity with Pressure during Blowout     

    图  7  瞬态效应导致质量流速的变化(定性分析)

    Figure  7.  Changes in Mass Velocity due to Transient Effects (Qualitative Analysis)

  • [1] 张家磊,王青山. 第四代反应堆的未来研发重点分析[J]. 中国科技投资,2017(5): 380.
    [2] 朱继洲. 核反应堆安全分析[M]. 西安: 西安交通大学出版社, 2004: 63.
    [3] SOZZI G L, SUTHERLAND W A. Critical flow of saturated and subcooled water at high pressure: NEDO-13418[R]. San Jose: General Electric Co., 1975.
    [4] LIN J C, GRUEN G E, QUAPP W J. Critical flow in small nozzles for saturated and subcooled water at high pressure: CONF-801102-10[R]. Idaho Falls: EG and G Idaho, Inc., 1980.
    [5] CRUVER J E, MOULTON R W. Critical flow of liquid-vapor mixtures[J]. AIChE Journal, 1967, 13(1): 52-60. doi: 10.1002/aic.690130112
    [6] CHEN Y Z, YANG C S, ZHANG S M, et al. Experimental study of critical flow of water at supercritical pressure[J]. Frontiers of Energy and Power Engineering in China, 2009, 3(2): 175-180. doi: 10.1007/s11708-009-0029-6
    [7] STARKMAN E S, SCHROCK V E, NEUSEN K F, et al. Expansion of a very low quality two-phase fluid through a convergent-divergent nozzle[J]. Journal of Basic Engineering, 1964, 86(2): 247-254. doi: 10.1115/1.3653047
    [8] ZHAO M F, LV Y F, ZHANG D X, et al. Investigation of diameter effect on critical flow[C]//25th International Conference on Nuclear Engineering. Shanghai: ASME, 2017.
    [9] 王俊峰,周源,黄彦平,等. 超临界压力下二氧化碳容器泄压影响因素研究[J]. 核科学与技术,2021, 9(1): 29-37.
  • 加载中
图(7)
计量
  • 文章访问数:  315
  • HTML全文浏览量:  132
  • PDF下载量:  86
  • 被引次数: 0
出版历程
  • 收稿日期:  2022-11-17
  • 修回日期:  2022-12-14
  • 刊出日期:  2023-10-13

目录

    /

    返回文章
    返回