高级检索

留言板

尊敬的读者、作者、审稿人, 关于本刊的投稿、审稿、编辑和出版的任何问题, 您可以本页添加留言。我们将尽快给您答复。谢谢您的支持!

姓名
邮箱
手机号码
标题
留言内容
验证码

基于脉冲型中子探测器信号特性的核信号发生器研究

罗庭芳 包超 高志宇 王立 孙琦

罗庭芳, 包超, 高志宇, 王立, 孙琦. 基于脉冲型中子探测器信号特性的核信号发生器研究[J]. 核动力工程, 2024, 45(6): 159-165. doi: 10.13832/j.jnpe.2024.06.0159
引用本文: 罗庭芳, 包超, 高志宇, 王立, 孙琦. 基于脉冲型中子探测器信号特性的核信号发生器研究[J]. 核动力工程, 2024, 45(6): 159-165. doi: 10.13832/j.jnpe.2024.06.0159
Luo Tingfang, Bao Chao, Gao Zhiyu, Wang Li, Sun Qi. Research on Nuclear Signal Generator Based on Signal Characteristics of Pulsed Neutron Detector[J]. Nuclear Power Engineering, 2024, 45(6): 159-165. doi: 10.13832/j.jnpe.2024.06.0159
Citation: Luo Tingfang, Bao Chao, Gao Zhiyu, Wang Li, Sun Qi. Research on Nuclear Signal Generator Based on Signal Characteristics of Pulsed Neutron Detector[J]. Nuclear Power Engineering, 2024, 45(6): 159-165. doi: 10.13832/j.jnpe.2024.06.0159

基于脉冲型中子探测器信号特性的核信号发生器研究

doi: 10.13832/j.jnpe.2024.06.0159
详细信息
    作者简介:

    罗庭芳(1991—),男,硕士研究生,高级工程师,现主要从事核测量技术研究,E-mail: xiefengluo@163.com

    通讯作者:

    包 超,E-mail: baochao19871229@sina.com

  • 中图分类号: TL362

Research on Nuclear Signal Generator Based on Signal Characteristics of Pulsed Neutron Detector

  • 摘要: 脉冲型中子探测器将中子注量率转化为随机微弱电流脉冲信号,由于该信号的特殊性,核测量设备一般需要借助堆上试验验证实际探测性能。由于通过堆上试验的研究方式花费较大且时间受限,本文以涂硼正比计数管这类典型的脉冲型中子探测器为对象,研究了一种脉冲型中子探测器信号模型及其核信号发生器实现方案。通过仿真验证了各关键部分特性,验证结果表明:所提出的核信号发生器方案可以产生满足指数分布的时间间隔序列,单脉冲形状与探测器信号相似,幅度可按均匀分布随机变化。

     

  • 图  1  核信号发生器总体架构

    Figure  1.  Overall Architecture of Nuclear Signal Generator

    图  2  满足指数分布的高速随机触发模块功能原理图

    n0—初始计数率;T—指数周期;x10—随机数种子;Δt—期望计数率和伯努利试验参数计算单元的循环时间;f—运行频率;p—伯努利试验概率;M1a1c1—乘加同余方法参数;mod—取余运算

    Figure  2.  Functional Schematic Diagram of High-speed Random Trigger Module Satisfying Exponential Distribution

    图  3  满足均匀分布的高速幅度控制模块功能原理图

    x20—随机数种子;M2a2c2—乘加同余方法参数

    Figure  3.  Functional Schematic Diagram of High-speed Amplitude Control Module Satisfying Uniform Distribution

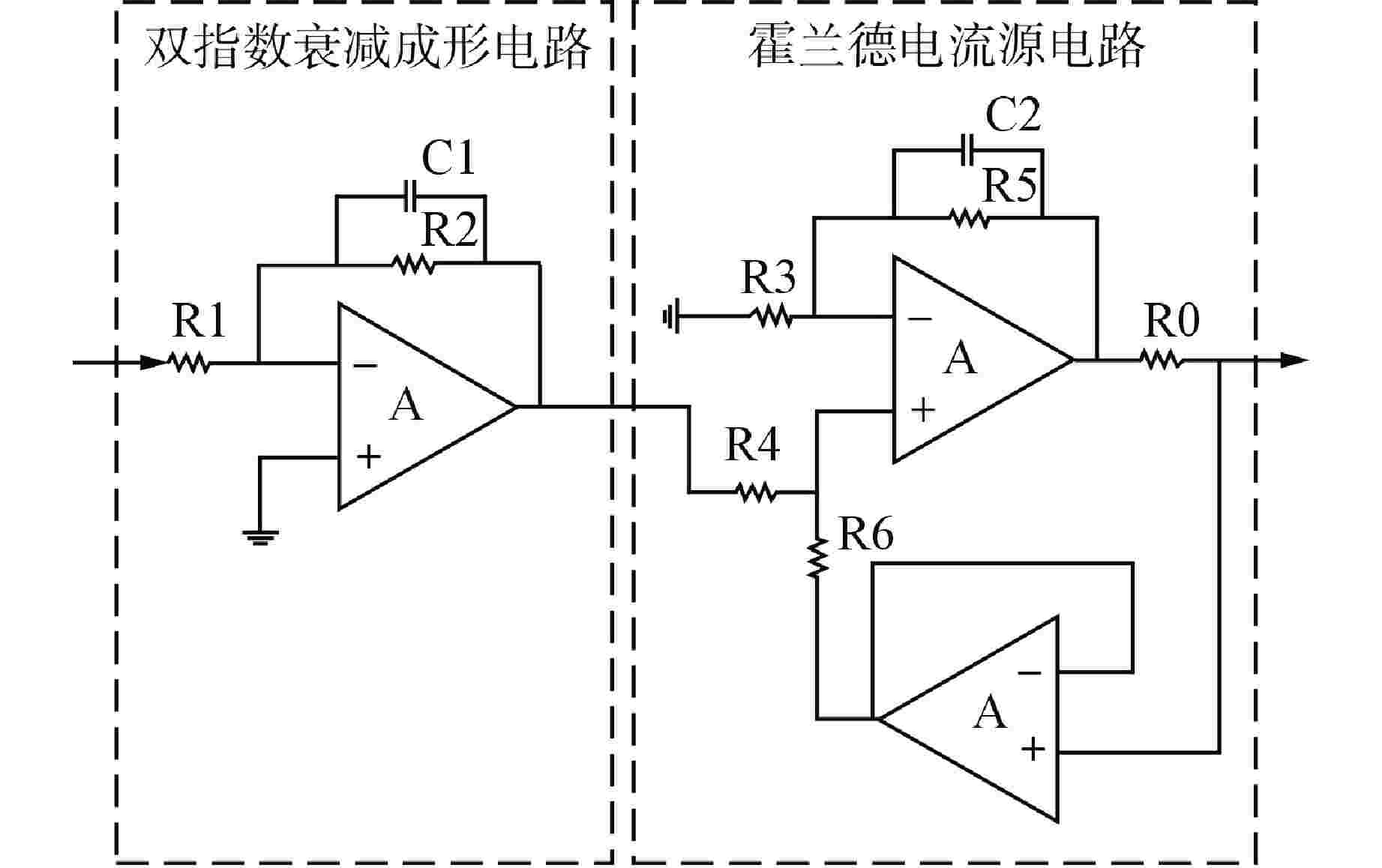
    图  4  单路电流脉冲成形电路原理图

    Figure  4.  Schematic Diagram of Single Current Pulse Forming Circuit

    图  5  脉冲间隔时间仿真的分布图

    Figure  5.  Distribution of Pulse Interval Time Simulation

    图  6  幅度控制仿真的分布图

    Figure  6.  Distribution of Amplitude Control Simulation

    图  7  单路电流脉冲成形电路仿真验证

    V1—幅度3.3 V、宽度10 ns的窄脉冲信号源;XSC1—示波器;XCP1—电流探头

    Figure  7.  Simulation Verification of Single Current Pulse Forming Circuit

    图  8  C1为45 pF时电流脉冲幅度仿真图

    Figure  8.  Simulation of Current Pulse Amplitude When C1 is 45 pF

    图  9  不同R0对应的电流脉冲幅度仿真图

    Figure  9.  Simulation of Current Pulse Amplitude Corresponding to Different R0

    图  10  正比计数管信号波形图

    Figure  10.  Signal Waveform Diagram of Proportional Counter Tube

    表  1  随机数产生方法对比表

    Table  1.   Comparison of Random Number Generation Methods

    性能及参数 乘同余方法 乘加同余方法 电路噪声放大方法 混沌电路方法 振荡器采样方法
    容量  $ {2^{s - 2}} $  $ {2^s} $  理论无上限  理论无上限  理论无上限
    稳定性  好,不受环境因素影响  好,不受环境因素影响  差,受环境因素、器件噪声特性影响  差,电路的不准确性限制了模数转换分辨率,也降低了系统,产生随机序列的能力  差,由于噪声导致的相位抖动范围很小,会使得随机序列质量下降
    可重现性  好  好  差  差  差
    生成速度  受电路运算速度影响,理论可做到10 ns的产生速度  受电路运算速度影响,理论可做到10 ns的产生速度  受电路带宽影响,整体带宽应超过100 MHz,理论上可以做到10 ns的产生速度  受电路带宽影响,整体带宽应超过100 MHz,理论上可以做到10 ns的产生速度  受电路带宽影响,整体带宽应超过100 MHz,理论上可以做到10 ns的产生速度
      上标s为计算机中二进制数的最大可能有效位数
    下载: 导出CSV
  • [1] 毛从光,郭晓强,周辉,等. 高空核电磁脉冲模拟波形的双指数函数拟合法[J]. 强激光与粒子束,2004, 16(3): 336-340.
    [2] KNOLL G F. Radiation detection and measurement[M]. 4th ed. New York: John Wiley & Sons, 2010: 864.
    [3] 朱宏亮,刘艳阳,高志宇,等. 半实物仿真堆上试验脉冲信号发生器设计与实现[J]. 核电子学与探测技术,2018, 38(4): 563-567. doi: 10.3969/j.issn.0258-0934.2018.04.023
    [4] 许淑艳. 蒙特卡罗方法在实验核物理中的应用[M]. 北京: 中国原子能出版社,2006: 306.
    [5] 过雅南,金大鹏,乔巧,等. 随机脉冲发生器[J]. 核电子学与探测技术,2007, 27(2): 167-169. doi: 10.3969/j.issn.0258-0934.2007.02.001
    [6] 韩慧,薛志华,刘松秋,等. 基于模拟贝努里试验的随机脉冲发生器的实现[J]. 核电子学与探测技术,2004, 24(4): 417-420. doi: 10.3969/j.issn.0258-0934.2004.04.025
    [7] 韩春,蔡俊. 基于FPGA的高速伪随机序列发生器设计[J]. 电子测量技术,2013, 36(7): 55-57. doi: 10.3969/j.issn.1002-7300.2013.07.013
    [8] 童诗白,华成英. 模拟电子技术基础[M]. 第五版. 北京: 高等教育出版社,2015: 525.
    [9] 胡晓东,董辰辉. MATLAB从入门到精通[M]. 第二版. 北京: 人民邮电出版社,2018: 462.
    [10] 黄智伟,黄国玉,王丽君. 基于NI Multisim的电子电路计算机仿真设计与分析[M]. 第三版. 电子工业出版社,2017: 288.
  • 加载中
图(10) / 表(1)
计量
  • 文章访问数:  781
  • HTML全文浏览量:  124
  • PDF下载量:  29
  • 被引次数: 0
出版历程
  • 收稿日期:  2024-03-07
  • 修回日期:  2024-09-10
  • 刊出日期:  2024-12-17

目录

    /

    返回文章
    返回